Ковкий стальной клапан
[Исполезание продукта]
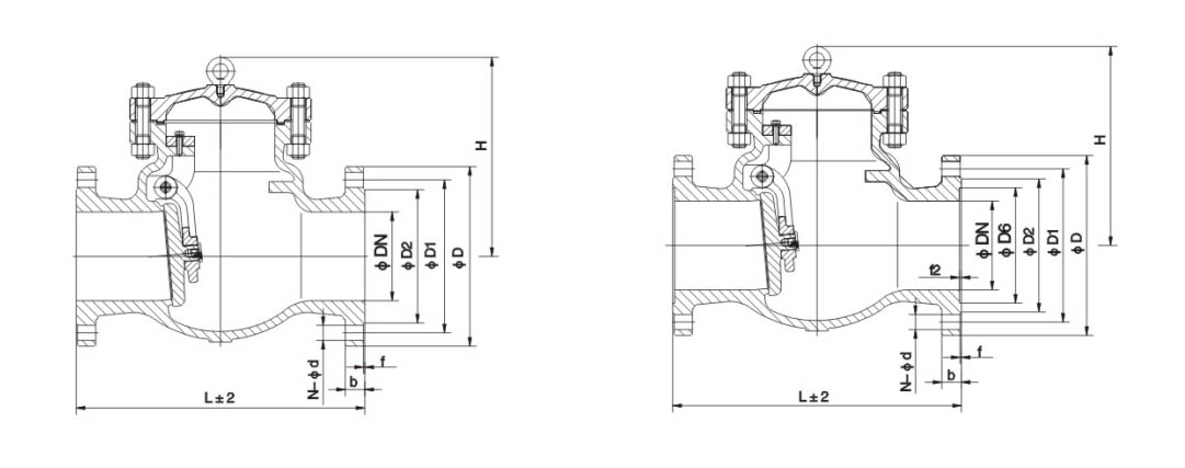
Поворотные обратные клапаны H44H, H44Y PN16~PN250 подходят для трубопроводов с давлением 1,6~25 МПа и рабочей температурой -29~+550℃ в трубопроводах нефтяной, химической, фармацевтической, удобрений, энергетической промышленности и других рабочих условий. Применимыми средами являются вода, масло, пар, Кислотные среды и т.д.
[Функции продукта]
Поворотные обратные клапаны типа H44H и H44Y автоматически открываются и закрываются силой, создаваемой потоком самой среды в трубопроводе, который является своего рода автоматическим клапаном. Обратный клапан используется в трубопроводной системе. Его основная функция заключается в предотвращении обратного потока среды, предотвращении разворота насоса и его приводного двигателя, а также выбросу среды в контейнере. Обратный клапан также может быть использован для подачи вспомогательной системы, где давление может превышать давление основной системы.
Продукты и услуги, отвечающие требованиям контроля жидкостей
Каждый процесс, каждый объект и каждое ограничение окружающей среды имеют свои особые требования. Таким образом, Dongsol предлагает полный ассортимент продуктов, которые включают в себя различные уровни производительности, давление, различные функции и различные материалы.
Свяжитесь с нами
Скачать материалы








Скачать