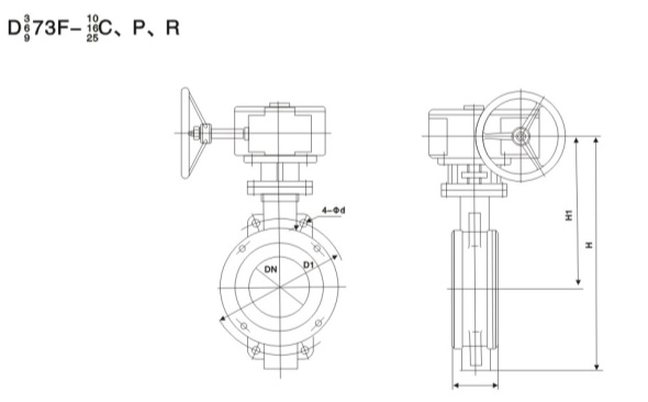
Жестко запечатанный зажимной клапан-бабочка
Зажимные клапаны D373H и D373Y имеют точное J-образное эластичное уплотнительное кольцо и трехэксцентриковую многоуровневую металлическую жесткую уплотня, которая широко используется в промышленных трубопроводах, таких как металлообработка, электроэнергетика, нефтехимия, водоснабжение и дренаж, а также муниципальное строительство со средней температурой ≤425℃, для регулирования потока и переноса жидкости.
[Функции продукта]
1. Зажимный дроссельный клапан имеет трехэксцентриковую уплотняющую структуру, а седло клапана и дроссельная пластина почти не износятся, а функция уплотнения становится все плотнее и плотнее.
2. Уплотнительное кольцо изготовлено из нержавеющей стали, которая имеет двойные преимущества металлического жесткого уплотнения и эластичного уплотнения. Будь то при низкой или высокой температуре, оно обладает отличными уплотнительными характеристиками, коррозионной стойкостью, длительным сроком службы и другими характеристиками.
3. Уплотнительная поверхность пластины-бабочки изготовлена из цементного карбида на основе кобальта, который является износостойким и имеет длительный срок службы.
4. Крупногабаритная пластина-бабочка использует килтную структуру с высокой прочностью, большой площадью переполнения и небольшим сопротивлением потоку.
5. Клапан-бабочка с жестким уплотнением имеет функцию двустороннего уплотнения. При установке он не ограничен направлением среднего потока и не влияет на пространственное положение. Его можно установить в любом направлении.
Продукты и услуги, отвечающие требованиям контроля жидкостей
Каждый процесс, каждый объект и каждое ограничение окружающей среды имеют свои особые требования. Таким образом, Dongsol предлагает полный ассортимент продуктов, которые включают в себя различные уровни производительности, давление, различные функции и различные материалы.
Свяжитесь с нами
Скачать материалы








Скачать