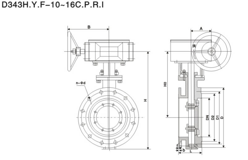
Расширенный клапан баттерфляя
Зажимные клапаны D373H и D373Y имеют точное J-образное эластичное уплотнительное кольцо и трехэксцентриковую многоуровневую металлическую жесткую уплотня, которая широко используется в промышленных трубопроводах, таких как металлообработка, электроэнергетика, нефтехимия, водоснабжение и дренаж, а также муниципальное строительство со средней температурой ≤425℃, для регулирования потока и переноса жидкости.
[Функции продукта]
1. Зажимной дроссельный клапан имеет трехэксцентриковую уплотняющую структуру, а седло клапана и пластина-бабочка почти не изнашиваются, и он имеет более плотную функцию уплотнения;
2. Уплотнительное кольцо изготовлено из нержавеющей стали, которая имеет двойные преимущества жесткого уплотнения металла и эластичного уплотнения. Будь то при низкой или высокой температуре, оно обладает отличными герметизаторами, коррозионной стойкостью, длительным сроком службы и другими характеристиками;
3. Уплотнительная поверхность пластины-бабочки изготовлена из цементного карбида на основе кобальта, который является износостойким и имеет длительный срок службы;
4. Пластина-бабочка большого размера использует килтную структуру с высокой прочностью, большой площадью переполнения и небольшим сопротивлением потоку;
5. Зажимный дроссельный клапан имеет функцию двустороннего уплотнения. При установке он не ограничен направлением среднего потока и не зависит от пространственного положения. Его можно установить в любом направлении;
6. Устройство привода может быть установлено на нескольких станциях (поворот на 90° или 180°), что удобно для пользователей;
Продукты и услуги, отвечающие требованиям контроля жидкостей
Каждый процесс, каждый объект и каждое ограничение окружающей среды имеют свои особые требования. Таким образом, Dongsol предлагает полный ассортимент продуктов, которые включают в себя различные уровни производительности, давление, различные функции и различные материалы.
Свяжитесь с нами
Скачать материалы








Скачать