Литой стальной электрический глобусный клапан
[Исполезание продукта]
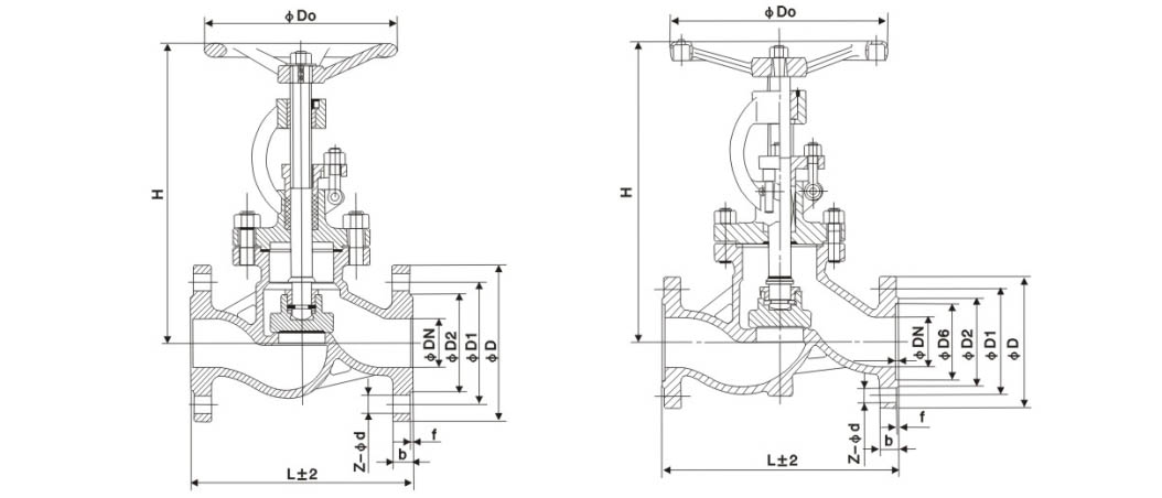
Открывающие и закрывающие части электрических запорных клапанов J941H, J941Y и J941W, производимых компанией, являются цилиндрическими клапанными клапанными клапанами. Уплотнительная поверхность плоская или коническая, а заслонки клапанов движутся по прямой линии вдоль центральной линии жидкости. Запорный клапан национального стандарта подходит только для полного открытия и полного закрытия. Как правило, он не используется для регулирования расхода. При изготовлении на заказ его можно регулировать и регулировать.
[Функции продукта]
1. Структура проста, а производство и обслуживание удобны.
2. Короткий график работы и короткое время открытия и закрытия
3. Хорошее уплотнение, небольшое трение между уплотняющими поверхностями, длительный срок службы
Продукты и услуги, отвечающие требованиям контроля жидкостей
Каждый процесс, каждый объект и каждое ограничение окружающей среды имеют свои особые требования. Таким образом, Dongsol предлагает полный ассортимент продуктов, которые включают в себя различные уровни производительности, давление, различные функции и различные материалы.
Свяжитесь с нами
Скачать материалы








Скачать