Клапан-бабочка с фланцевым фланком гливя колеса
Трехэксцентрические многоуровневые упорные клапаны с твердым уплотнением D343H и D343W широко используются в трубопроводах металлургии, электроэнергии, нефти, химической промышленности, воздуха, газа, легковоспламеняющейся газа и коррозионных сред, таких как водоснабжение и дренаж.
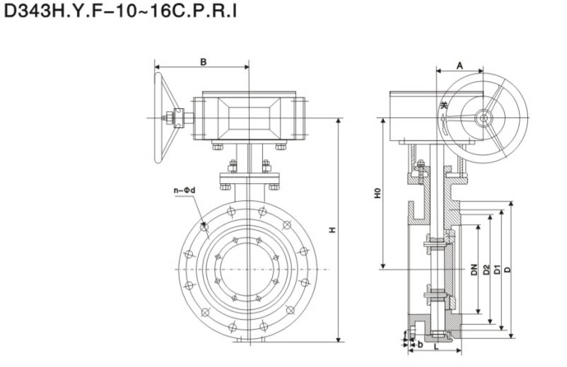
[Структурные особенности]
1. Клапан-бабочка с жестким уплотнением имеет трехэксцентриковую жесткую уплотняющую структуру, а седло клапана и пластина-бабочка практически не изнашиваются, а функция уплотнения становится все плотнее и плотнее.
2. Уплотнительное кольцо изготовлено из нержавеющей стали, которая имеет двойные преимущества металлического жесткого уплотнения и эластичного уплотнения. Будь то при низкой или высокой температуре, оно обладает отличными уплотнительными характеристиками, коррозионной стойкостью, длительным сроком службы и другими характеристиками.
3. Уплотнительная поверхность пластины-бабочки изготовлена из цементного карбида на основе кобальта, который является износостойким и имеет длительный срок службы.
4. Крупногабаритная доска-бабочка использует килтную конструкцию с высокой прочностью, большой площадью потока и небольшим сопротивлением потоку.
5. В соответствии с потребностями пользователя, дроссельный клапан жесткого уплотнения сети подачи клапанов может быть спроектирован с функцией двустороннего уплотнения. При установке он не ограничен направлением среднего потока, а также не зависит от пространственного расположения и может быть установлен в любом направлении.
6. Устройство привода может быть установлено на нескольких рабочих станциях (поворот на 90° или 180°), что удобно для пользователей.
Продукты и услуги, отвечающие требованиям контроля жидкостей
Каждый процесс, каждый объект и каждое ограничение окружающей среды имеют свои особые требования. Таким образом, Dongsol предлагает полный ассортимент продуктов, которые включают в себя различные уровни производительности, давление, различные функции и различные материалы.
Свяжитесь с нами
Скачать материалы








Скачать