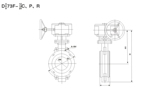
К зажиму баттерфляем
[ИспольЗование продукта]
D373H и D373Y используют прецизионное J-образное эластичное уплотнительное кольцо и трехэксцентричную многослойную металлическую структуру твердого уплотнения для дисковых клапанов, которые широко используются в промышленных трубопроводах, таких как обработка золота, энергетика, нефтехимическая промышленность, водоснабжение и дренаж, а
[Функции продукта]
1. Затвор-бабочка использует трехэксцентричную уплотнительную структуру. Сиденье и пластина бабочки почти не изнашиваются и имеют более плотную функцию уплотнения.
2. Уплотнительное кольцо изготовлено из нержавеющей стали, которая имеет двойные преимущества твердого уплотнения металла и эластичного уплотнения. Оно обладает отличными характеристиками уплотнения, коррозионной стойкостью и длительным сроком службы в условиях низких и высоких температур.
3. Поверхность уплотнения пластины бабочки использует наплавляющий цементированный карбид на основе кобальта, а уплотнительная поверхность износостойкая и имеет длительный срок службы.
4. Крупногабаритная пластина бабочки имеет стеганую конструкцию с высокой прочностью, большой площадью перегрузки по току и небольшим сопротивлением потока;
5. Он имеет функцию двустороннего уплотнения для зажимного дискового дискового клапана. При установке он не ограничивается направлением потока среды или зависит от пространственного положения. Он может быть установлен в любом направлении;
6. Устройство вождения может быть установлено в нескольких положениях (вращение на 90° или 180°), что удобно для пользователей;
Продукты и услуги, отвечающие требованиям контроля жидкостей
Каждый процесс, каждый объект и каждое ограничение окружающей среды имеют свои особые требования. Таким образом, Dongsol предлагает полный ассортимент продуктов, которые включают в себя различные уровни производительности, давление, различные функции и различные материалы.
Свяжитесь с нами
Скачать материалы








Скачать