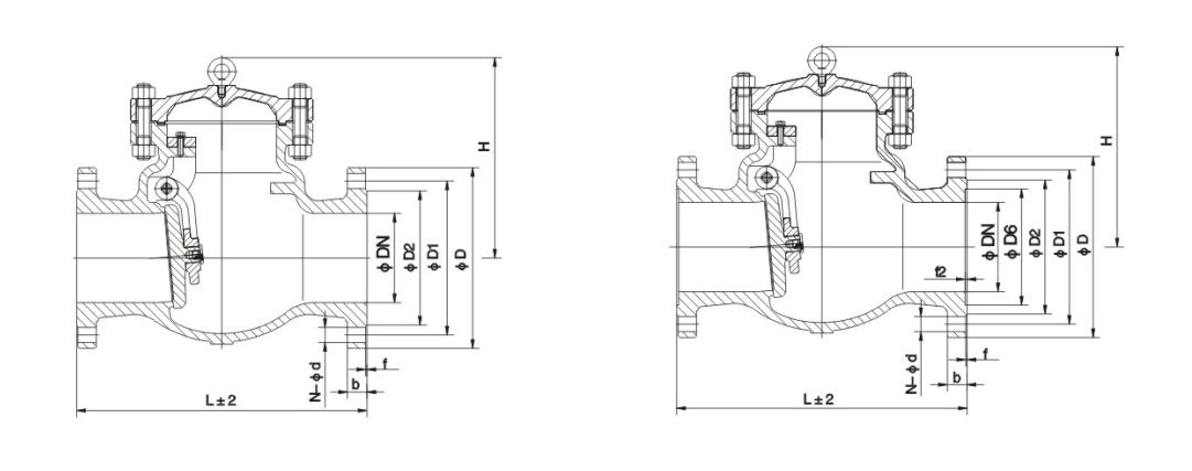
Сварной поворотный обратный клапан
Поворотный обратный клапан H44H, H44Y типа PN16~PN250 подходит для трубопроводов с давлением 1,6~25 МПа и рабочей температурой -29~+550℃ в различных условиях работы, таких как нефтяная, химическая, фармацевтическая, удобрение и энергетическая промышленность. Применимыми средами являются вода, масло, пар и кислые среды. Подождите.
[Функции продукта]
Поворотные обратные клапаны типа H44H и H44Y автоматически открываются и закрываются силой, создаваемой потоком самой среды в трубопроводе, который является своего рода автоматическим клапаном. Обратный клапан используется в трубопроводной системе. Его основная функция заключается в предотвращении обратного потока среды, предотвращении разворота насоса и его приводного двигателя, а также выбросу среды в контейнере. Обратный клапан также может быть использован для подачи вспомогательной системы, где давление может превышать давление основной системы.
Продукты и услуги, отвечающие требованиям контроля жидкостей
Каждый процесс, каждый объект и каждое ограничение окружающей среды имеют свои особые требования. Таким образом, Dongsol предлагает полный ассортимент продуктов, которые включают в себя различные уровни производительности, давление, различные функции и различные материалы.
Свяжитесь с нами
Скачать материалы








Скачать