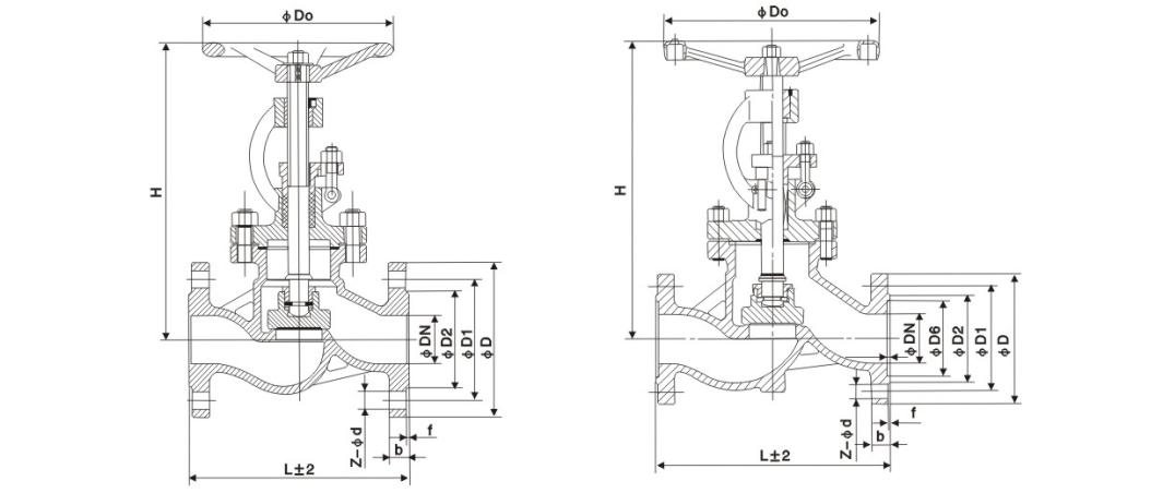
Фланговый глобусный клапан национального стандарта
Открывающиеся и закрывающие части глобальных клапанов из нержавеющей стали J41H, J41Y и J41W являются цилиндрическими дисками. Уплотнительная поверхность плоская или коническая, а диск клапана движется по прямой линии вдоль центральной линии жидкости. Глобальный клапан национального стандарта подходит только для полного открытия и полного закрытия. Как правило, он не используется для регулировки расхода. При настройке разрешается регулировать и регулировать.
[Особенности продукта]
1. Структура проста, а производство и обслуживание более удобны.
2. График работы небольшой, а время открытия и закрытия короткое.
3. Хорошее уплотнение, небольшое трение между уплотнительными поверхностями и длительный срок службы.
Продукты и услуги, отвечающие требованиям контроля жидкостей
Каждый процесс, каждый объект и каждое ограничение окружающей среды имеют свои особые требования. Таким образом, AIAMMS предлагает полный ассортимент продуктов, которые включают в себя различные уровни производительности, давление, различные функции и различные материалы.
Свяжитесь с нами
Скачать материалы








Скачать