Национальный стандарт подъемный обратный клапан
[Исполезание продукта]
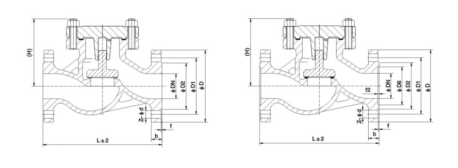
Подъемные обратные клапаны H41H и H41Y PN16~PN100 являются одними из важных звеньев в системе регулирования производственного процесса. Это клапаны, которые контролируют односторонний поток среды в трубопроводе и предотвращают обратный поток среды.
[Функции продукта]
1. Подъемные обратные клапаны H41H и H41Y имеют преимущества простой конструкции, надежной эксплуатации, удобного технического обслуживания и т. д. и широко используются в очистном оборудовании, нефти, химической промышленности, металлургии, электроэнергетике, легком текстиле и других производственных процессах.
2. Когда среда поступает в корпус клапана в направлении, указанном стрелкой корпуса клапана, давление среды создает тягу вверх на клапане. Когда тяга среды больше, чем гравитация клапана, клапан открывается. Когда давление среды, действующей на клапанный клапан после клапана, и гравитация самой заслонки клапана больше, чем давление, действующее на клапан, клапан закрывается, чтобы предотвратить обратный поток среды.
Продукты и услуги, отвечающие требованиям контроля жидкостей
Каждый процесс, каждый объект и каждое ограничение окружающей среды имеют свои особые требования. Таким образом, Dongsol предлагает полный ассортимент продуктов, которые включают в себя различные уровни производительности, давление, различные функции и различные материалы.
Свяжитесь с нами
Скачать материалы








Скачать